九游平台,九游(中国)

全国统一服务热线
400-610-6025

业绩案例

CLASSIC CASE

当前位置:首页 > 业绩案例 > 混凝土结构冻融事故

混凝土结构冻融事故

冻融破坏是我国东北、西北和华北地区水工混凝土建筑在使用过程中产生的主要病害,对于水闸、渡槽等中小型水工混凝土建筑物,冻融破坏的地域更为广泛。除三北地区外,华东、华中的长江以北地区以及西南高山寒冷地区,均存在此类病害。此种危害容易产生较大灾害。

一、工程概况

本工程位于内蒙古准格尔旗大路新区,600/610 号建筑是变电站、配电站,均为现浇钢筋混凝土框架结构。由于在2010 年底做的局部混凝土浇筑,气温在-5 ~ -16℃,混凝土未能按时初凝,且大部分混凝土构件受冻融影响,发生严重事故。

二、破坏分析

1、针对检测报告,分析如下

1) 冻融次数:次数越多混凝土的强度特性均呈下降趋势,其中反映最敏感的是抗拉强度和抗折强度,即随着冻融次数的增加,混凝土的抗拉强度和抗折强度迅速下降,而抗压强度下降趋势较缓,如以目前抗冻标准中动弹模下降40% 作为一个临界值,则普通混凝土抗拉强度只剩51.6%,抗折强度剩30.9%,抗压强度还有84.8%。。

2) 失重率也是混凝土抗冻性的一个评价指标,从检测结果可以看出,对普通混凝土来讲,动弹模下降40% 时,失重率为负值( 混凝土尚未产生剥蚀,而吸水率增加之故),重量并不发生损失,但此时混凝土的抗拉、抗折强度等均发生了明显的变化,因此对于普通混凝土,尤其是结构性混凝土,用重量损失来作为破坏的评估指标,就不一定合适了,因此失重率这个指标对引气混凝土抗冻性的安全评估仍有一定的意义。

图1 冻结速度与混凝土冻融破坏的关系

 

由结果可以看出,冻结速率对混凝土的冻融破坏有一定的影响,冻结速率提高,冻融破坏力加大,混凝土容易破坏。查看有关数据和试验,混凝土冻融前后微孔测试结果如下图所示。

经过初步分析试验数据结果,可以看出,混凝土在冻融过程中微孔含量和微孔直径均在增大。

2、结构现状分析

用扫描电镜对普通混凝土和引气混凝土,冻融前后的试样进行了微观结构的观测和分析,测试结果如图6、7 所示。混凝土在冻融过程中,水化产物的结构状态发生了明显变化,即由冻融前的堆积状密实体( 图4) 逐步变成疏松状态,且水化产物结构中出现了微裂缝( 图5),这些微裂缝数量和宽度随着冻融过程的增加而增多和加宽。

  

三、加固对策

通过分析冻融的成因和范围,对结构的基本情况已完全了解,并依据实际情况进行分别处理,本结构为框架结构,抗震因素已考虑在内。

1、提高整体性,对构件的连接部位进行加强处理。

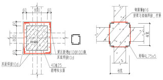
2、对板进行外加预应力处理,对梁采用包钢和扩大截面处理。

3、对冻融楼板进行剔凿处理, 深度>40mm,并涂刷界面粘合剂,保证新旧混凝土连接良好。

 

四、方案反思

1、混凝土在冻融破坏过程中,宏观特性呈逐步下降的趋势,主要反映在密实度的降低和强度的下降。其中抗拉强度和抗折强度反映最为敏感,当混凝土弹性模量下降40% 时,抗拉强度和抗折强度将下降50% ~70%,这是一个值得重视的问题。

2、冻结温度越低、冻结速率越快、混凝土的冻融破坏力越强,冻结温度达-10℃时,是一个临界值,达到或低于这一临界值时要保证混凝土的抗冻耐久性,必须设计较高的抗冻标号。

3、冻融影响严重的结构需要采取相应的措施进行处理,处理方法和材料需要考虑冻融情况的长期影响,并考虑刚度的集中影响。

4、混凝土冻融过程中,水化产物结构由密实体到松散体的过程,会使引气混凝土中的气泡壁产生开裂和破坏,这是导致引气混凝土冻融破坏的主要原因。混凝土的冻融破坏过程可以基本上认为是一个物理变化过程。

版权所有:九游平台,九游(中国)
邮箱:jiagu@bodongbo.com
传真:010-64403408
电话:400-610-6025 800-810-6025 010-64403428
地址:北京市朝阳区北苑东路19号院2号楼1206室(中国铁建广场C座)
京ICP备2022035419号-1