全国统一服务热线
400-610-6025
首 页
企业简介
公司概况
证书荣誉
组织结构
九游平台,九游(中国)
业绩案例
工艺材料
行业动态
资料下载
联系我们
当前位置:
首页
>
图集
>
汶川地震震后房屋加固案例
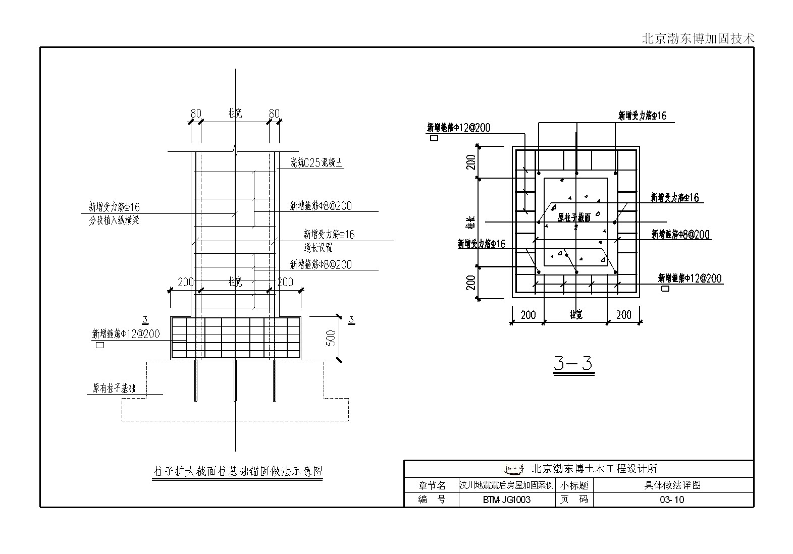
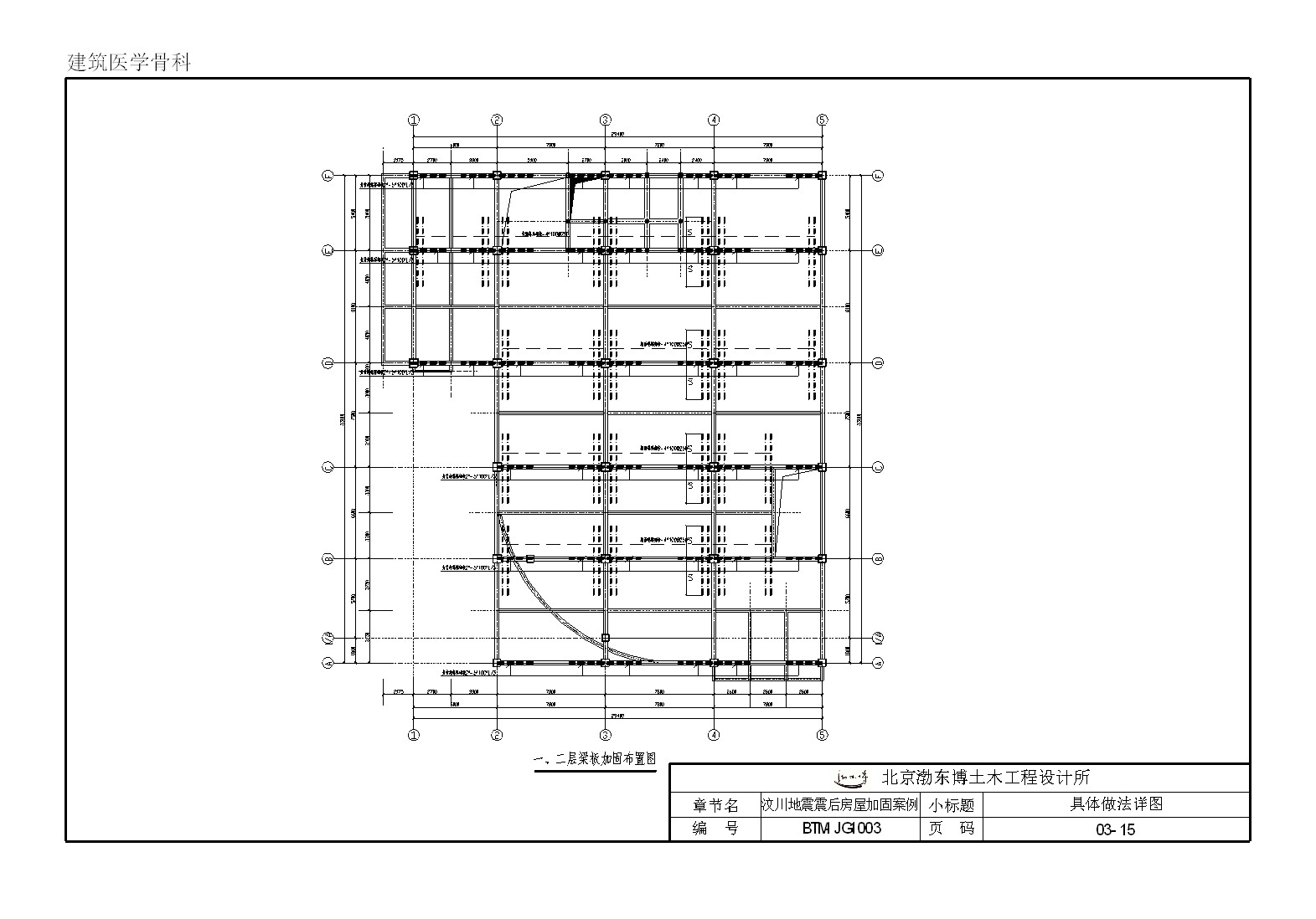
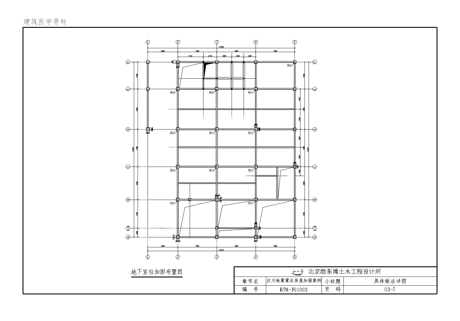
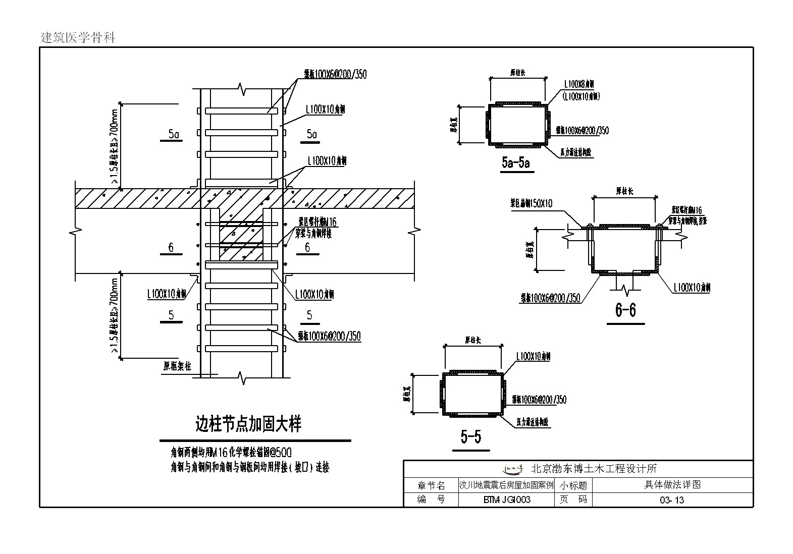
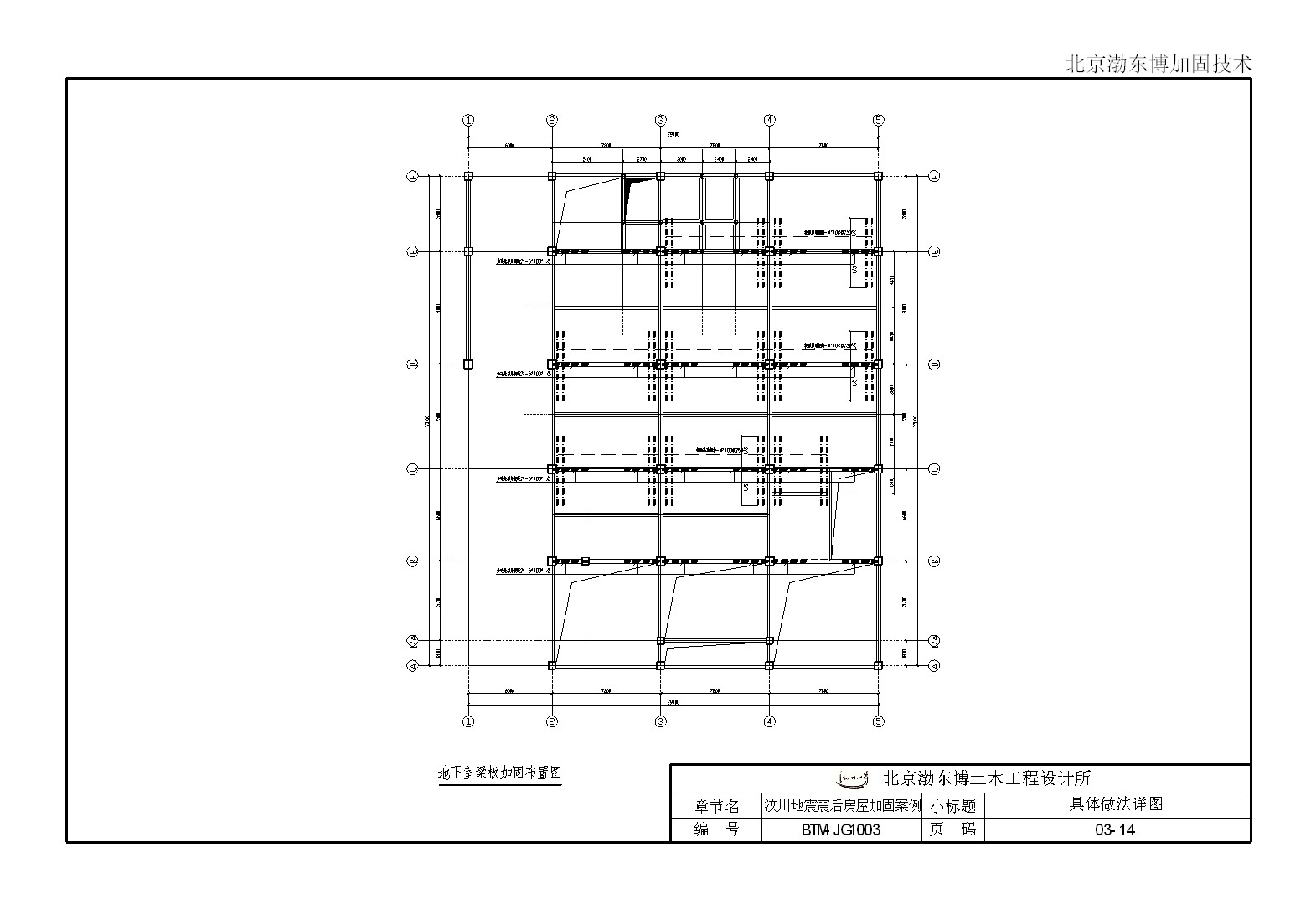
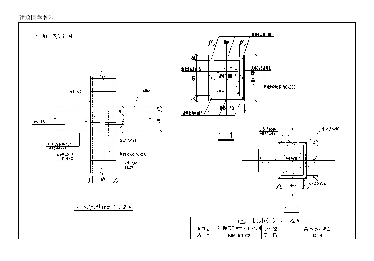
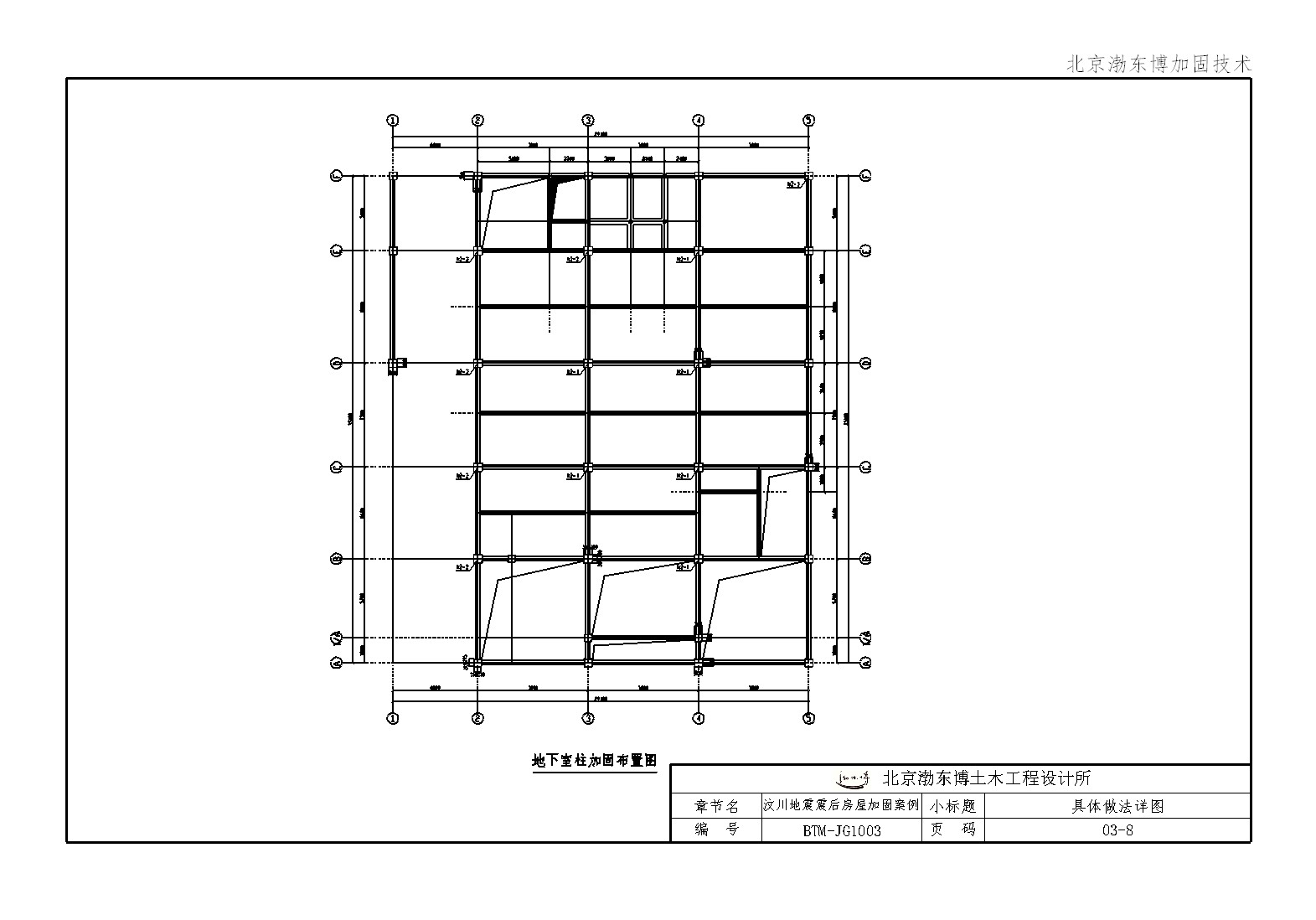
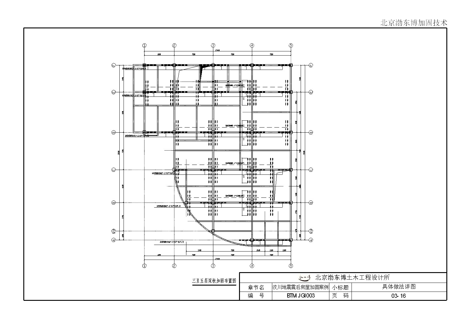
汶川地震震后房屋加固案例
版权所有:九游平台,九游(中国)
邮箱:jiagu@bodongbo.com
传真:010-64403408
电话:400-610-6025 800-810-6025 010-64403428
地址:北京市朝阳区北苑东路19号院2号楼1206室(中国铁建广场C座)
京ICP备2022035419号-1
安博·体育
|
九游
|
赢博
|
广发体育
|
爱游戏(中国)一站式服务平台
|
爱游戏(中国)一站式服务平台
|
九游平台
|
九游
|
GUANGFA.COM
|